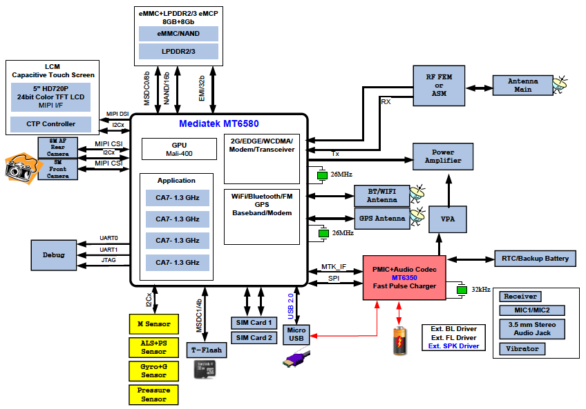
新移科技發布基于聯發科MT6580平臺的安卓3G核心板,型號為XY8001。MT6580核心板是一款基于聯發科MT6580平臺高性能、可運行安卓操作系統的3G智能模塊,支持WCDMA/GSM/EDGE/GPRS等多種制式;支持WiFi 802.11b/g/n,BT V2.1+EDR,V3.0+HS,V4.0 LE近距離無線通信,支持GPS衛星定位;支持多種語音和音頻編解碼器,內部集成 ARM Mali 400 500MHz高性能圖形引擎,支持1080p 30fps H.264解碼,支持1080p 30fps MPEG-4編碼;最高支持8MP的攝像頭輸入,擁有多個音頻、視頻輸入輸出接口和豐富的GPIO接口。

網絡頻段:
類型 | 頻段 |
WCDMA | B1/B2/B5/B8 |
GSM | B2/B3/B5/B8 |
WiFi 802.11b/g/n | 2400-2483.5MHz/5725-5850MHz |
BT4.0 LE | 2400-2483.5MHz |
GNSS | GPS |
主要性能參數:
性能 | 說明 |
應用處理器 | 4核 ARM Cortex-A7處理器 主頻最高至 1.3GHz 512kB 2級緩存 |
供電 | VBAT供電電壓范圍:3.5V~4.3V 典型供電電壓:4V |
短消息 (SMS) | Text與PDU模式 點到點MO和MT SMS廣播 SMS存儲:默認SIM |
LCM接口 | 3組MIPI_DSI,每組最高支持1.0Gbps速率; 最高支持720*1280 (3組MIPI_DSI); 24bit色彩深度 |
攝像頭接口 | 4組MIPI_CSI,每組最高支持1.5Gbps速率,可支持2個攝像頭; 后攝像頭使用4組MIPI_CSI,最高支持8MP像素 前攝像頭使用2組MIPI_CSI,最高支持5MP像素 前后攝像頭可以支持雙錄,畫中畫功能 |
音頻接口 | 音頻輸入: 3組模擬麥克風輸入 1路作為耳機MIC輸入,另兩路是正常通話降噪MIC 音頻輸出: AB類立體聲耳機輸出 AB類差分聽筒輸出 AB/D類差分揚聲器功放輸出0.8W |
USB接口 | 支持USB2.0高速模式,數據傳輸速率最大480Mbps 用于軟件調試和軟件升級等 支持USB OTG |
USIM卡接口 | 2組USIM卡接口 支持USIM/SIM卡:1.8V和3V 支持雙卡雙待 |
SDIO接口 | 支持SD2.0;4bit SDIO;SD/MMC卡 支持熱插拔 |
I2C接口 | 3組I2C,最高速率至400K,當使用I2C的DMA時最高速度可以達到3.4Mbps,用于TP、Camera、Sensor等外設 |
ADC接口 | 2路,用于通用ADC |
天線接口 | WCDMA天線、GNSS天線、WIFI/BT天線接口 |
物理特征 | 尺寸:34×34×2.8 mm 接口:LCC 翹曲度:<0.3mm 重量:8.5g |
溫度范圍 | 正常工作溫度:-20°C ~ +70°C 極限工作溫度:-25°C和+80°C 1) 存儲溫度:-40°C ~ +85°C |
軟件升級 | 通過USB |
RoHS | 符合RoHS標準
|