1.產品概述
XY6873 是一款基于 MTK 的 MT6873(聯發科技天璣 800 )平臺、工業級高性能、可運行 android 11.0操 作 系 統 的 5G AI 智能模塊 , 支 持 NR-SA/NR-NSA/LTE-FDD(CAT-18)/LTE-TDD(CAT-18)/WCDMA/TD-SCDMA/EVDO/CDMA/GSM 等多種制式;支持 WiFi 5 802.11 a/b/g/n/ac,BT v2.1+EDR,3.0+HS,v4.1+HS,V5.1,支持 Beidou(北斗),Galileo,Glonass,GPS,QZSS 多種制式衛星定位;擁有多個音頻、視頻輸入輸出接口和豐富的 GPIO 接口。支持的頻段如下表:
支持頻段
類型 | 頻段 |
NR-SA | N1/N41/N78/N79 |
NR-NSR | N78+B1/B3/B5/B8,N79+B3/B39,N41+B3/B39 |
LTE-FDD | B1/B2/B3/B5/B7/B8 |
LTE-TDD | B34/B38/B39/B40/B41 |
WCDMA | B1/B2/B5/B8 |
TD-SCDMA | B34/B39 |
EVDO/CDMA | BC0 |
GSM | B2/B3/B5/B8 |
DL CCA | B1/B3/B7/B38/B39/B40/B41 |
DL NCCA | B3/B40/B41 |
Inter CA | B1+B3 B3+B5 B1+B5 B39+B41 |
UL CCA | B3/B38/B39/B40/B41 |
WiFi 802.11a/b/g/n/ac | 2400~2483.5MHz/5725~5850MHz/5925MHz |
BT V2.1+EDR,3.0+HS,V4.2+HS,BT5.1 | 2400~2483.5MHz |
GNSS | Beidou(北斗),Galileo,Glonass,GPS,QZSS |
*注:頻段以具體出貨為準。
XY6873 是貼片式模塊,共有 184LCC+237LGA 管腳。尺寸僅有 50.0mm × 50.0mm ×2.65mm,可以通過焊盤內嵌于各類 M2M 產品應用中,非常適合開發車載電腦、多媒體終端、智能家居、物聯網終端等移動設備。
備注
1.1. DL CCA: Downlink Intra-band Contiguous Carrier Aggregation 下行帶內連續載波聚合
2. DL NCCA: Downlink Intra-band No-Contiguous Carrier Aggregation 下行帶內非連續載波聚合
3.Inter CA: Inter band Carrier Aggregation 帶間載波聚合
4.UL CCA: Uplink Intra-band Contiguous Carrier Aggregation 上行帶內連續載波聚合
2.主要性能
下表描述了 XY6873 詳細的性能參數
Process | 7nm |
應用處理器 | 4xCortex-A76up to 2.0GHz + 4xCortex-A55 up to 2.0GHz |
GPU | ARM NATT MC4 |
攝像頭接口 | 4xMIPI CSI(4 Data lanes)64MP @ 30fps |
video decode | 4K 30fps H.264/H.265/VP9 |
video encode | 4K 30fps H.264/H.265 |
LCM 接口 | MIPI DSI(4 Data lanes)最高分辨率支持 FHD+ (1080x2520) |
AI Accelerator | Up to 2.4TOPs(每秒 2.4 萬億次運算) |
性能 | 說明 |
調制解調處理器 | 2 MDSP RVSS 處理器 ARM 最高頻率 416MHz |
供電 | VBAT 供電電壓范圍:3.5V~4.35V 典型供電電壓:4.2V |
發射功率 | Class 4 (33dBm±2Db) for GSM850/GSM900 Class 1 (30dBm±2Db) for DCS1800/PCS1900 Class E2 (27dBm±3Db) for EGSM900/GSM850 8PSK Class E2 (26dBm±3Db) for DCS1800/PCS1900 8PSK Class 3 (24dBm+1/-3Db) for WCDMA bands Class 3 (24dBm+1/-3Db) for CDMA BC0 Class 3 (24dBm+1/-3Db) for TD-SCDMA B34/B39 Class 3 (23dBm ±2.7Db) for LTE FDD bands Class 3 (23dBm ±2.7Db) for LTE TDD bands Class 3 (23dBm ±2.7Db) for NR SA bands Class 3 (23dBm ±2.7Db) for NR NSA bands |
NR 特性 | 支持 3GPP R15 3.5Gbps DL/775Mbps UL 支持 5 – 100 MHz 射頻帶寬 支持下行 4 x 4 MIMO,上行 2 x 2 MIMO SA: Max 2.3Gbps (DL), 625Mbps (UL) NSA: Max 3.5Gbps (DL), 775Mbps (UL) |
LTE 特性 | 支持 3GPP R11 LTE CAT-18 DL/CAT-13 UL 支持 1.4 – 20 MHz 射頻帶寬 支持下行 4 x 4 MIMO FDD: Max 1.2Gbps (DL), 150Mbps (UL) TDD: Max 1.2Gbps (DL), 150Mbps (UL) |
WCDMA 特性 | 支持 3GPP R9 DC-HSPA+ 支持 16-QAM, 64-QAM and QPSK modulation 3GPP R6 HSUPA: Max 11.5Mbps (UL) 3GPP R8 DC-HSPA+: Max 42.2Mbps (DL) |
TD-SCDMA 特性
| 支 持 3GPP R8 1.28 TDD TD-HSDPA:MAX 2.8Mbps(DL) |
GSM/GPRS/EDGE 特性 | EDGE: 支持 EDGE multi-slot class 12 支持 GMSK 和 8PSK 編碼格式:CS1-4 和 MCS 1-9 |
WLAN 特性 | 2.4GHz/5GHz 雙頻段,支持 802.11a/b/g/n/ac,最高至 1700Mbps, 支持 AP 模式 |
Bluetooth 特性 | BT v2.1+EDR,3.0+HS,v4.1+HS,V5.1 (Low Energy) |
衛星定位 | Beidou,Galileo,Glonass,GPS,QZSS |
EMMC/UFS | 最高支持 UFS2.1,256G Byte; |
DDR | 最高支持 12G Byte @ 2 channels 16bit x LPDDR4X 4266MHz |
短消息 (SMS) | Text 與 PDU 模式點到點 MO 和 MT SMS 廣播 SMS 存儲:默認 SIM |
AT 命令 | 不支持 |
音頻接口 | 音頻輸入: 3 組模擬麥克風輸入 1 路作為耳機 MIC 輸入,另兩路是正常通話降噪 MIC 音頻輸出: AB 類立體聲耳機輸出AB 類差分聽筒輸出 AB 類差分輸出給外部音頻功放 |
USB 接口 | 支持 USB3.0 Host/Device 模式,數據傳輸速率最大 5.0Gbps 用于軟件調試和軟件升級等 支持 USB2.0 OTG |
USIM 卡接口 | 2 組 USIM 卡接口 支持 USIM/SIM 卡:1.8V 和 3V 支持雙卡雙待 |
SDIO 接口 | 支持 SD/SDHC/MS/MSPRO/MMC/SDIO2.0 or 3.0 4bit SDIO,8bit SDIO 支持熱插拔 |
I2C 接口 | 10 組 I2C,最高速率至 400K,當使用 I2C 的 DMA 時最高速度可以達 到 3.4Mbps,用于 TP、Camera、Sensor 等外設 |
SPI 接口 | 8 組 SPI 接口,最高速率至 27Mbit/s,支持 DMA mode。 |
DPI 接口 | 1 組 12 bit DPI 接口,DPI clock 最高 148.5MHz。 |
ADC 接口 | 四路,用于通用 12 bit ADC,Input range=0.05~1.45V |
天線接口 | 7 個 RF 天線、WIFI/GNSS/BT 天線、WIFI2 天線、FM RX 天線接口 |
物理特征 | 尺寸:50±0.15×50±0.15×2.65±0.2 mm |
|
|
| 接口:184LCC+237LGA 翹曲度:<0.3mm 重量:10.9g |
溫度范圍 | 正常工作溫度:-20°C~ +70°C 極限工作溫度:-25°C 和+80°C 1) 存儲溫度:-40°C ~ +85°C |
軟件升級 | 通過 USB |
RoHS | 符合 RoHS 標準 |
1. “1)”表示當模塊工作在此溫度范圍時,射頻的性能可能會偏離規范,例如頻率誤差或者相位誤差會增大,但是不會掉線。
2. “*”表示此功能當前在研發中。
3.功能框圖
下圖為 XY6873 功能框圖,闡述了其主要功能:
電源管理
射頻部分
基帶部分
LPDDR4X+EMMC 存儲器
外圍接口
--USB 接口
--USIM 卡接口
--UART 接口
--SDIO 接口
--I2C 接口
--SPI 接口
--ADC 接口
--LCD(MIPI)接口
--TP 接口
--CAM(MIPI)接口
--AUDIO 接口

功能框圖
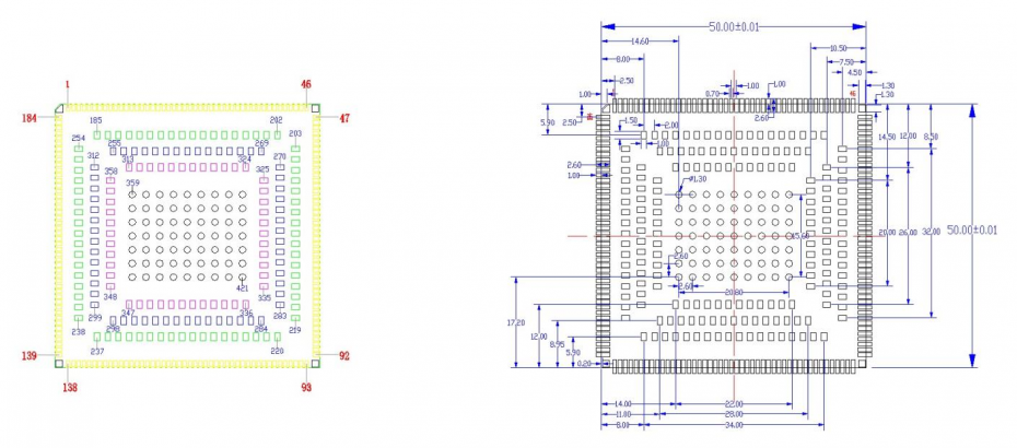
4.物理尺寸
模塊物理尺寸

XY6873 俯視圖尺寸

XY6873 AI智能模塊硬件設計手冊_V1.0(1).pdf
XY6873 建議 Layout PCB 焊盤和管腳分布(Top View)