XY6785CD 4G安卓核心板(MT6785 Helio G95平臺)
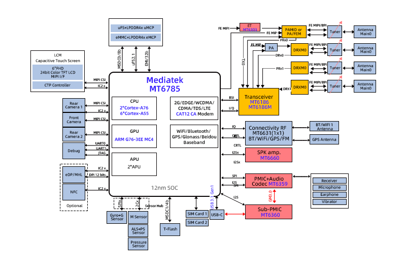
CPU:MediaTek MT6875
架構:ARM 2xCortex-A76 up to 2.0GHz + ARM 6xCortex-A55?up to 2.0GHz
操作系統:Android 12.0 & Android 13.0
內存 : 4GB+64GB/6GB+128GB/8GB+256GB
網絡支持:2G/3G/4G全網通
無線連接:WiFi/Bluetooth/GPS/Beidou
MT6785 是一款基于 MTK 平臺、工業級高性能、可運行 android12.0 & android13.0 操作系統的 4G 安卓智能模塊,支持 LTE-FDD(CAT-12)/LTE-TDD(CAT-12)/WCDMA/TD-SCDMA/EVDO/CDMA/GSM 等多種制式;支持 WiFi 802.11 a/b/g/n/ac,BT v2.1+EDR,3.0+HS,v4.1+HS, 5.0 LE,支持GPS/GLONASS/北斗/Galileo/QZSS 等多種制式衛星定位;擁有多個音頻、視頻輸入輸出接口和豐富的 GPIO 接口。

網絡頻段:
類型 | 頻段 |
LTE-FDD | B1/B2/B3/B5/B7/B8/B20(B17)/B28 |
LTE-TDD | B34/B38/B39/B40/B41 |
WCDMA | B1/B2/B5/B8 |
TD-SCDMA | B34/B39 |
EVDO/CDMA | BC0 |
GSM | B2/B3/B5/B8 |
DL CCA | B1/B3/B7/B38/B39/B40/B41 |
DL NCCA | B3/B40/B41 |
Inter CA | B1+B3 B3+B5 B1+B5 B39+B41 |
UL CCA | B3/B38/B39/B40/B41 |
WiFi 802.11a/b/g/n/ac | 2400~2483.5MHz/5725~5850MHz/5925MHz |
BTv2.1+EDR,3.0+HS,V5.0 | 2400~2483.5MHz |
GNSS | GPS/GLONASS/北斗 |
主要性能參數:
性能 | 說明 |
應用處理器 | 2xCortex-A76 up to 2.0GHz + 6xCortex-A55 up to 2.0GHz
|
GPU | ARM G76-3EE MC4 |
調制解調處理器 | MIPS32處理器 ARM最高頻率864MHz 256KB L2 |
供電 | VBAT供電電壓范圍:3.5V~4.35V 典型供電電壓:4.2V |
短消息 (SMS) | Text與PDU模式 點到點MO和MT SMS廣播 SMS存儲:默認SIM |
AT命令 | 不支持 |
LCM接口 | 4組MIPI_DSI,每組最高支持1.2Gbps速率; 支持FHD+(2160X1080)最高支持2400X1080(4組MIPI_DSI); 24bit色彩深度 |
攝像頭接口 | 4組MIPI_CSI,每組最高支持2.5Gbps速率,可支持2個攝像頭; 后攝像頭使用4組MIPI_CSI,最高支持32M@30fps 前攝像頭使用4組MIPI_CSI,最高支持32M@30fps 前后攝像頭可以支持雙錄,畫中畫功能 |
音頻接口 | 音頻輸入: 3組模擬麥克風輸入 1路作為耳機MIC輸入,另兩路是正常通話降噪MIC 音頻輸出: AB類立體聲耳機輸出 AB類差分聽筒輸出 AB類差分輸出給外部音頻功放 |
USB接口 | 支持USB2.0高速模式,數據傳輸速率最大480Mbps 用于軟件調試和軟件升級等 支持USB OTG |
USIM卡接口 | 2組USIM卡接口 支持USIM/SIM卡:1.8V和3V 支持雙卡雙待 |
SDIO接口 | 支持SD/SDHC/MS/MSPRO/MMC/SDIO2.0 or 3.0 4bit SDIO 支持熱插拔 |
I2C接口 | 4組I2C,最高速率至400K,當使用I2C的DMA時最高速度可以達到3.4Mbps,用于TP、Camera、Sensor等外設 |
ADC接口 | 兩路,用于通用ADC,Input range=0.05~1.45V |
天線接口 | MAIN天線、DRX天線、GNSS天線、WIFI/BT天線接口 |
物理特征 | 尺寸:40.0±0.15×50.0±0.15×2.5±0.2 mm 接口:LCC 翹曲度:<0.3mm 重量:10.9g |
溫度范圍 | 正常工作溫度:-20°C~ +70°C 極限工作溫度:-25°C和+80°C 1) 存儲溫度:-40°C ~ +85°C |
軟件升級 | 通過USB |
RoHS | 符合RoHS標準 |
請直接聯系劉先生,電話微同號:18688981861